一悬挑脚手架构造常见问题
1、常见问题一:立杆垂直度偏差较大(现场立杆垂直度偏差为150mm)。
规范规定:
2、常见问题二:纵向水平杆高差偏差较大(现场纵向水平杆高差超100mm)。
规范规定:
3、常见问题三:纵向水平杆接头位置居于跨中(现场水平杆、立杆接头位置极为随意)。
规范规定:
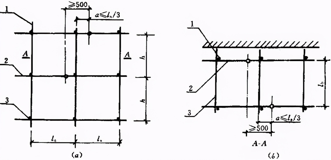
(1)两根相邻纵向水平杆的接头不应设置在同步或同跨内;不同步或不同跨两个相邻接头在水平方向错开的距离不应小于500mm;各接头中心至最近主节点的距离不应大于纵距的1/3,如下图:
(2)当立杆采用对接接长时,立杆的对接扣件应交错布置,两根相邻立杆的接头不应设置在同步内,同步内隔一根立杆的两个相隔接头在高度方向错开的距离不宜小于500mm;各接头中心至主节点的距离不宜大于步距的1/3。
综上,脚手架同步同跨内不得出现两个接头。
4、常见问题四:小横杆、部分纵向水平杆及连墙件杆件端头伸出扣件盖板边缘长度小于100mm(此类问题现场极多,亟待整改)。
规范规定:
各杆件端头伸出扣件盖板边缘长度不应小于100mm。
5、常见问题五:立杆间距偏大,部分立杆未连续设置,且未进行补强处理(现场施工过程中,立杆间距设置较为随意,同类问题存在于纵向水平杆处)。
处理措施:在有外挑阳台、飘窗板处脚手架立杆断开时,断开脚手架应参照规范中给定的门洞部位脚手架加强措施进行补强处理。
6、常见问题六:连墙件设置方式与规范不符、数量偏少,且现场缺失严重,给架体带来极大安全隐患(此问题必须及早整改)。
参照两幅图:由第十六层起挑的脚手架在北侧楼梯间处自底至顶连墙件全部缺失,并连墙件设置位置极为随意。
规范规定:
(1)连墙件应靠近主节点设置,偏离主节点的距离不应大于300mm。
(2)应从底层第一步纵向水平杆处开始设置,当该处设置有困难时,应采用其它可靠措施固定。
(3)应优先采用菱形布置,或采用方形、矩形布置,一般为“两步三跨”。
(4)连墙件的安装应随脚手架搭设同步进行,不得滞后安装。
7、常见问题七:小横杆设置位置偏离主节点,且部分主节点处漏设小横杆。
小横杆偏离主节点
小横杆未设置
规范规定:(强制条文)。
主节点处必须设置一根横向水平杆,用直角扣件扣接且严禁拆除。
8、常见问题八:脚手架上堆积较多杂物,且未及时清理,给下方施工人员造成安全隐患。
处理措施:管理人员及时跟踪检查,及时清理安全隐患。
9、常见问题九:剪刀撑斜杆错位,且剪刀撑斜杆与架体立杆或水平杆未用扣件连接。
斜杆与立杆未连接
剪刀撑斜杆错位
规范规定:
(1)剪刀撑斜杆的接长应采用搭接或对接,搭接接长时,搭接长度不应小于1m,并应采用不少于2个旋转和扣件固定。端部扣件盖板的边缘至杆端距离不应小于100mm。
(2)剪刀撑斜杆应用旋转扣件固定在与之相交的横向水平杆的伸出端或立杆上,旋转扣件中心线至主节点的距离不宜大于150mm。
(3)每道剪刀撑宽度不应小于4跨,且不应小于6m,斜杆与地面的倾角宜在45°~60°。
10、常见问题十:悬挑脚手架悬挑型钢的悬挑长度大于其锚固长度,且锚固型钢悬挑梁的U形钢筋拉环多数为单根,并部分锚固型钢悬挑梁的U形钢筋拉环处木塞缺失。
木塞缺失、型钢锚固长度小于其悬挑长度、U型锚固筋为单根
规范规定:
(1)一次悬挑脚手架高度不宜超过20m。
(2)型钢悬挑梁宜采用双轴对称截面的型钢。悬挑钢梁型号及锚固件应按设计确定,钢梁截面高度不应小于160mm。悬挑梁尾端应在两处及以上固定于钢筋混凝土梁板结构上。锚固型钢悬挑梁的U形钢筋拉环或锚固螺栓直径不宜小于16mm。
(3)用于锚固的U形钢筋拉环或螺栓应采用冷弯成型。U形钢筋拉环、锚固螺栓与型钢间隙应用钢楔或硬木楔楔紧。
(4)型钢悬挑梁悬挑端应设置能使脚手架立杆与钢梁可靠固定的定位点,定位点离悬挑梁端部不应小于100mm。
(5)锚固位置设置在楼板上时,楼板的厚度不宜小于120mm。如果楼板的厚度小于120mm应采取加固措施。
(6)悬挑梁间距应按悬挑架架体立杆纵距设置,每一纵距设置一根;型钢悬挑脚手架构造见下图:
二临时用电部分通病:配电箱周围堆放过多材料,通行不便,不利于操作。
危害:发生紧急情况时,通行不便,不能及时断开电源;维修人员不利于操作。
预防:配电箱周围不准堆放材料,尤其是易燃物。材料堆放要远离配电箱3米以上,并且要有畅通的通道。
通病:使用国家明文淘汰的塑料闸刀开关(HK8)。
危害:受热容易融化,绝缘性能差,容易破碎等。
预防:配电箱选购或配备时,禁止使用这种开关;在后期维修时,不要使用这种开关。
通病:高压线下搭设临时板房。
危害:搭设板房时容易触电;恶劣天气容易造成线路摇摆,打火或线路断裂;高压线会产生强磁场,对人体有害;高压线在阴雨天与房屋产生电弧,容易造成电击。
预防:临设规划时就要避开高压线,严禁在高压线下建房屋、操作棚、加工厂等。
通病:临时电缆乱托乱拽,拖地乱拉乱扯。
危害:电缆容易磨损、接地、漏电,造成跳闸、触电。
预防:室外电缆尽量埋设,无法埋设以及室内电缆要架设起来,架设高度要不低于2.5米,过路电缆要设置限高杆。
通病:开关箱不符合要求,一闸多机,有的还接在空开上端头,起不到保护作用。
危害:一闸多机会造成一台设备或线路出故障,影响多台设备运行,而且容易造成误动作;接线混乱会造成线路及设备有故障时,没有开关和漏保的保护,对上一级负荷开关产生影响,因上一级开关脱扣电流较大,容易造成线路烧毁等事故,还容易造成火灾。
预防:严格按照规定配备开关箱,严格按要求接线,专职电工管理。
通病:用四芯电缆外补一根电线代替五芯电缆。
危害:外补电线容易受机械损伤、破损等,造成漏电或影响地线作用。
预防:严格采用五芯电缆,只有不用零线的三相电设备才可以用四芯电缆。
通病:使用国家明文禁止的倒顺开关。
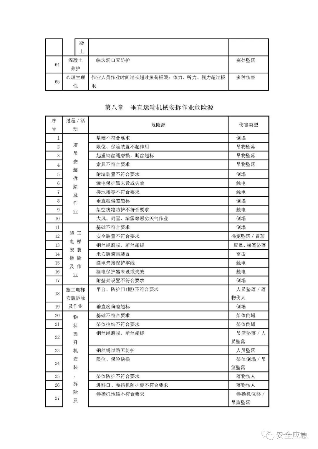
危害:因倒顺开关内各相线触电距离太近,又没有灭弧罩,结构紧凑导致触电距外壳(铁质)距离太小,外壳又容易变形,非常容易造成短路、外壳连电的故障,造成触电。
预防:严禁使用倒顺开关,按规定配置开关箱。
通病:电缆与设备架体、脚手架等钢制结构直接连接,无绝缘措施。
危害:电缆随风摆动,在架体上摩擦,容易损坏漏电,造成钢质构件或钢管带电,出线触电事故。
预防:当电缆沿铁质构件敷设时,要采用瓷瓶等进行架体绝缘,电缆要绑扎牢固。当电缆沿脚手架敷设时要采取防护措施。
通病:开关压线不牢固,或随时间的延长压线端子松动。
危害:电缆与压线端子之间松动,造成接触不良,线路发热,烧损导线绝缘层及开关的压线端子造成漏电及火灾事故。
预防:压线端子一定要压紧导线,每个一段时间紧固一次。
通病:线路老化。
危害:绝缘程度降低,容易烧毁绝缘层造成短路;容易造成绝缘层露出线芯,造成漏电,导致触电事故。
预防:敷设电缆时,要注意电缆的选择,老化电缆不要使用;平时注意电缆的维护,不要受到机械损伤、雨水浸泡、太阳暴晒等,避免加速电缆老化。
通病:配电箱破损、缺少维护,接线混乱,乱接乱扯。
危害:很容易造成触电事故及引发火灾。
预防:加强配电箱的日常维护,严格治理乱拉乱扯的行为,严格制止乱挂线的行为。
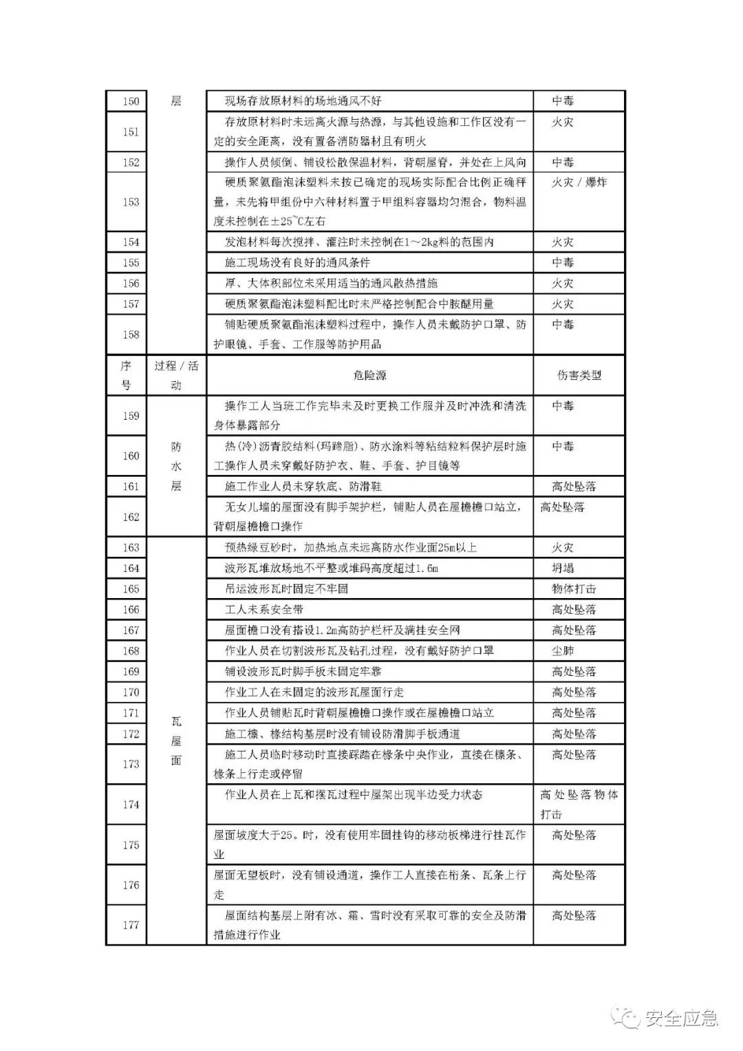
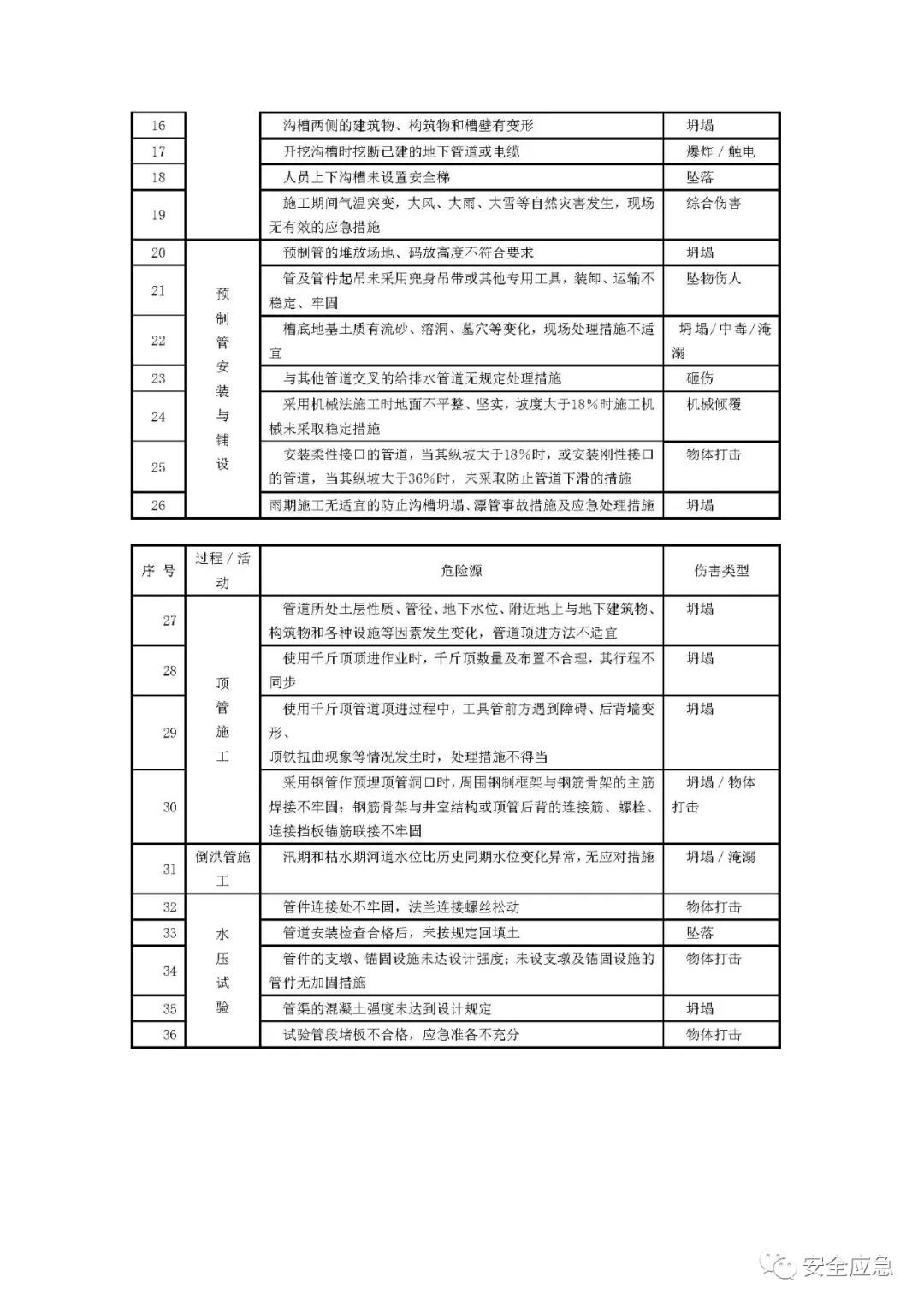
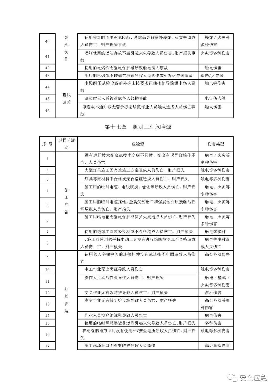
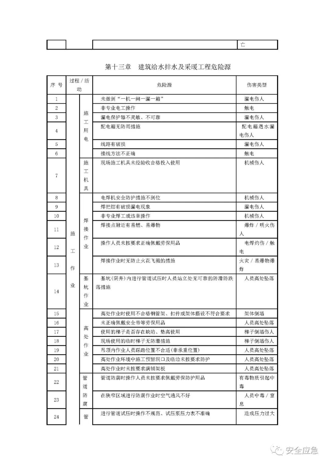
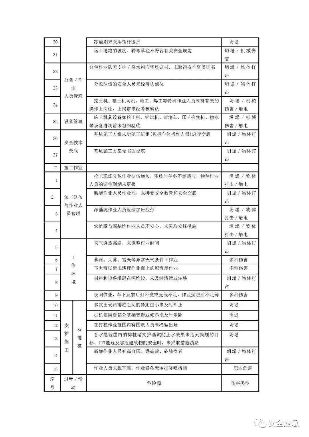
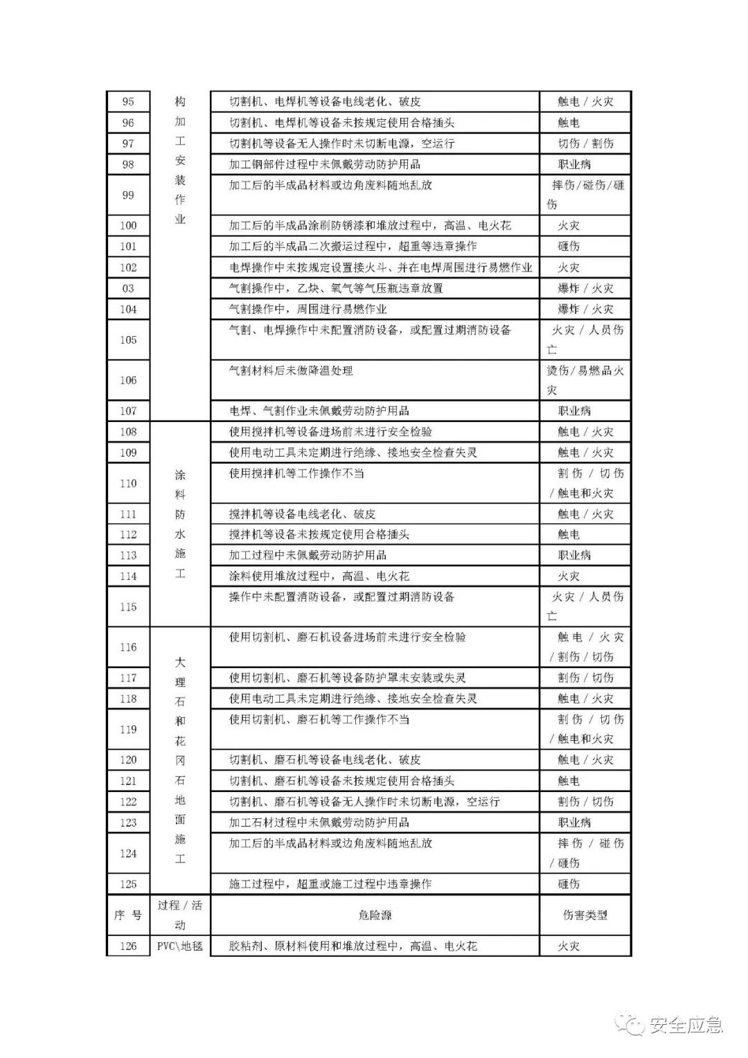
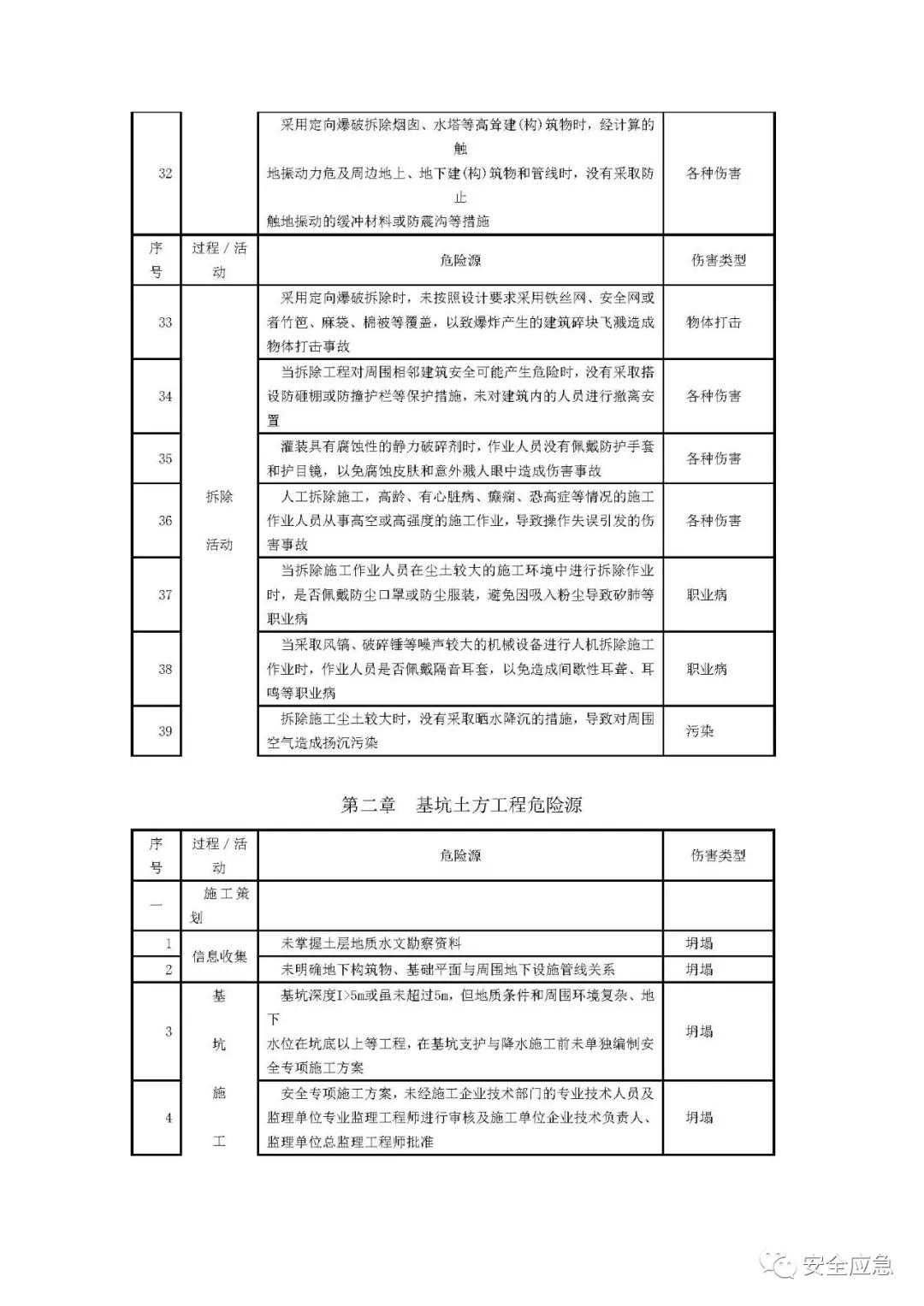
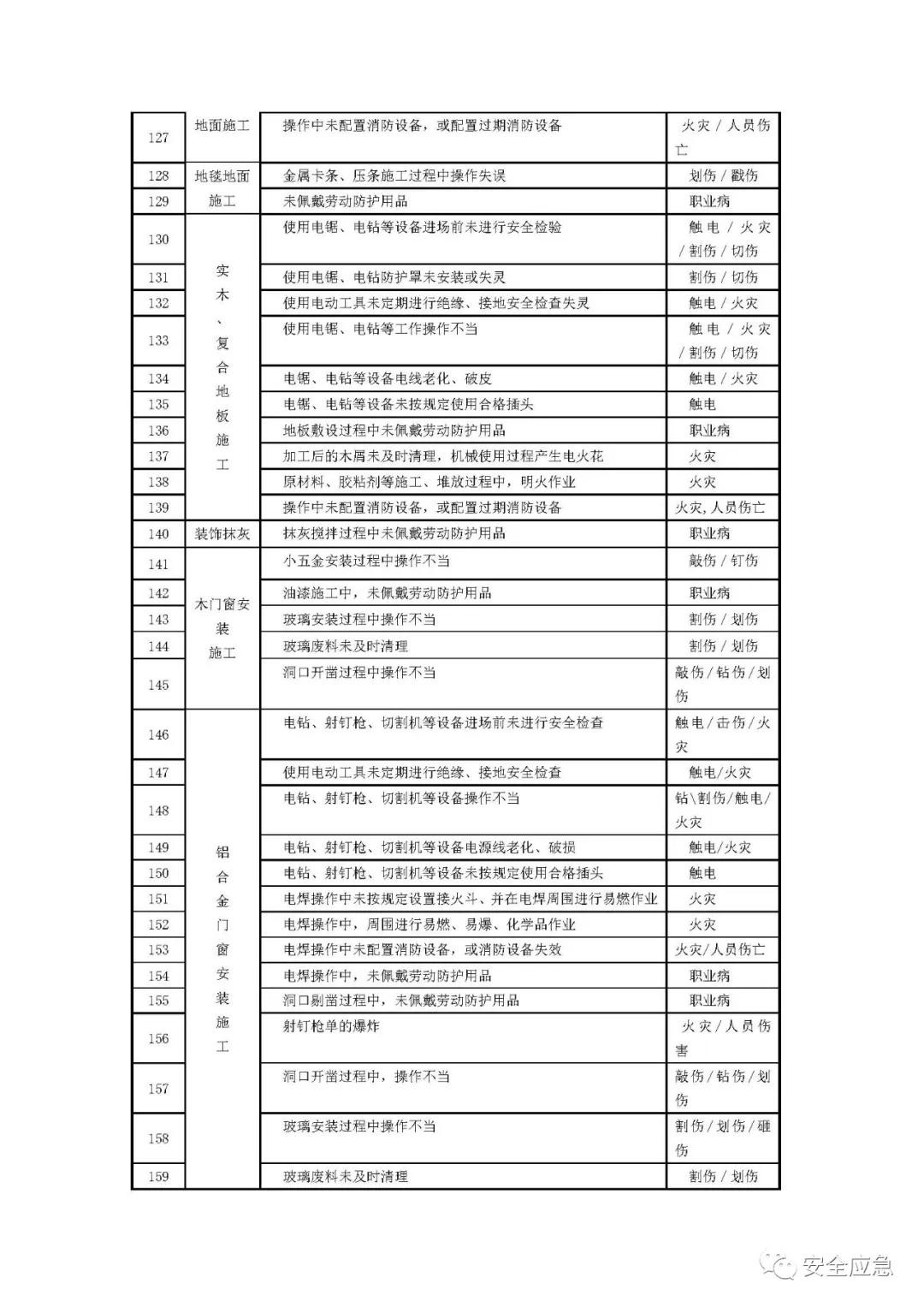
施工现场常见危险源清单2042条
